Электроника в клининге
Главная
Платы GHIBLI
Платы COMAC
Ремонт электроники
Контакты
Контактный телефон
+79096655259
Заказать звонок
id="cli-mobile-menu" lang="en">
id="cli-close-menu" lang="en">
Платы-контроллеры для поломоечных машин Nilfisk
Предлагаем платы нашего производства для поломоечных машин Nilfisk.
Объявление. Ищу платы Nilfisk SC500 для проекта импортозамещения
Плата движения Italsea 7CH4Q90 для сопровождаемых Nilfisk
Полная совместимость по разъемам, размерам и функциям.
Цена 26000 руб.
29000 ₽
Подробнее об аналоге 7CH4Q90xx
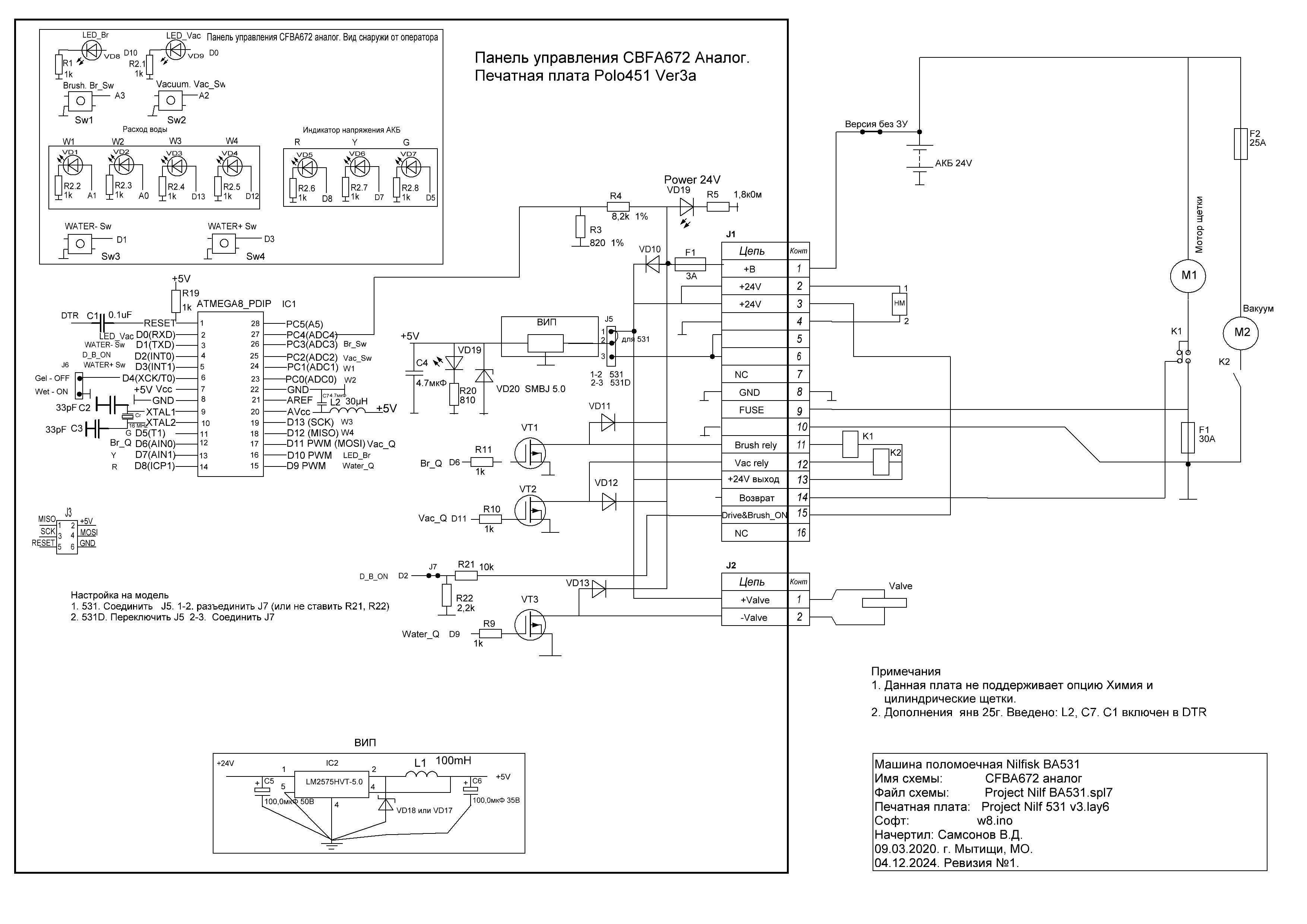
Плата для Nilfisk BA 451, BA531 и BA531D
Метки на плате CFBA671 или CFBA672. Part № 9097006000. Совместима с оригинальной.
Цена 21000 руб.
12500₽
Скачать схему Nilfisk BA451
Плата Панели управления Nilfisk BR755/855.
Полная совместимость с оригиналом. Артикулы 56601565
и 56601096. Цена 22000 руб без корпуса
22000₽
Плата для Nilfisk BA451D, BA531D, BA651. Только в проекте. Закончу проект по запросу
Метка на плате CFBA673.1 или CFBA802.1. Part № 90970007000
13000₽
Сборка электроники. ИП Самсонов В.Д. г. Мытищи Московской обл.. ИНН 632500335244. тел 9096655259