Плата-контроллер для Ghibli&Wirbel
45SM TOUCH
Предлагаем плату нашего производства для поломоечной машины GHIBLI 45SM
Плата-контроллер GHIBLI FR 30 D 45 TOUCH
Полная совместимость по разъемам, размерам и функциям
19000 ₽

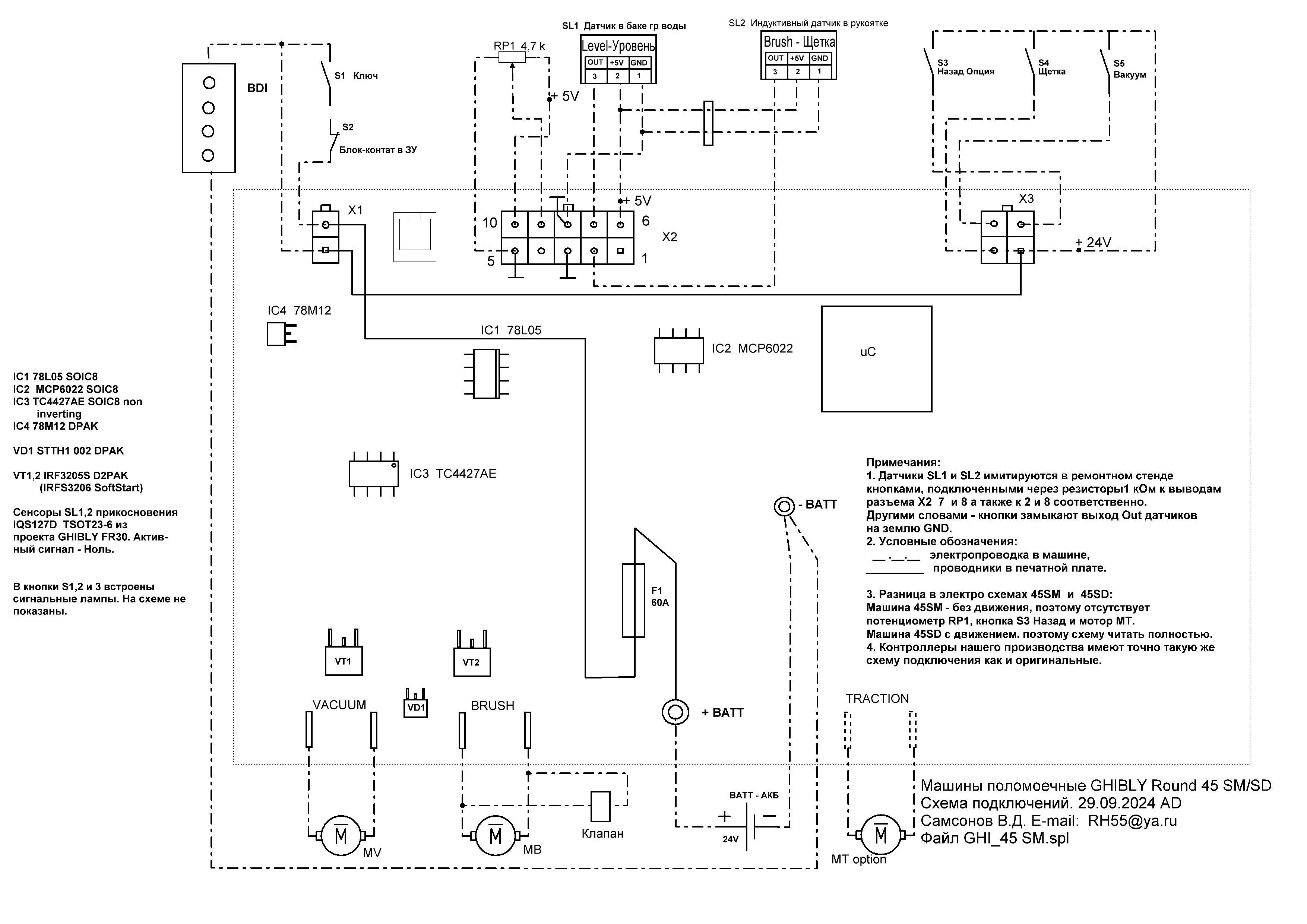
Схема электрическая подключений
Полная совместимость по разъемам, размерам и функциям
23000₽
Скачать